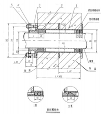
柔性防水套管安裝圖
|
柔性防水套管(A、B型) |
||||||||||||||||||||||||||||||||||||||||||||||||||||||||||||||||||||||||||||||||||||||||||||||||||||||||||||||||||||||||||||||||||||||||||||||||||||||||||||||||||||||||||||||||||||||||||||||||||||||||||||||||||||||||||||||||||||||||||||||||||||||||||||||||||||||||||||||||||||||||||||||||||||||||||||||||||||||||||||||||||||||||||||||||||||||||||||||||||||||||||||||||
|
柔性防水套管A型安裝圖 |
柔性防水套管B型安裝圖 |
|||||||||||||||||||||||||||||||||||||||||||||||||||||||||||||||||||||||||||||||||||||||||||||||||||||||||||||||||||||||||||||||||||||||||||||||||||||||||||||||||||||||||||||||||||||||||||||||||||||||||||||||||||||||||||||||||||||||||||||||||||||||||||||||||||||||||||||||||||||||||||||||||||||||||||||||||||||||||||||||||||||||||||||||||||||||||||||||||||||||||||||||
|
柔性防水套管A型安裝說明 |
柔性防水套管B型安裝說明 |
|||||||||||||||||||||||||||||||||||||||||||||||||||||||||||||||||||||||||||||||||||||||||||||||||||||||||||||||||||||||||||||||||||||||||||||||||||||||||||||||||||||||||||||||||||||||||||||||||||||||||||||||||||||||||||||||||||||||||||||||||||||||||||||||||||||||||||||||||||||||||||||||||||||||||||||||||||||||||||||||||||||||||||||||||||||||||||||||||||||||||||||||
|
柔性防水套管A型材料表
|
柔性防水套管B型材料表
|
|||||||||||||||||||||||||||||||||||||||||||||||||||||||||||||||||||||||||||||||||||||||||||||||||||||||||||||||||||||||||||||||||||||||||||||||||||||||||||||||||||||||||||||||||||||||||||||||||||||||||||||||||||||||||||||||||||||||||||||||||||||||||||||||||||||||||||||||||||||||||||||||||||||||||||||||||||||||||||||||||||||||||||||||||||||||||||||||||||||||||||||||
|
||||||||||||||||||||||||||||||||||||||||||||||||||||||||||||||||||||||||||||||||||||||||||||||||||||||||||||||||||||||||||||||||||||||||||||||||||||||||||||||||||||||||||||||||||||||||||||||||||||||||||||||||||||||||||||||||||||||||||||||||||||||||||||||||||||||||||||||||||||||||||||||||||||||||||||||||||||||||||||||||||||||||||||||||||||||||||||||||||||||||||||||||
|
DN |
D1 |
D2 |
D3 |
D4 |
D5 |
Ⅰ |
10 |
Ⅰ1 |
I2 |
D1 |
D2 |
D3 |
n-M |
A型重量(kg) |
B型重量(kg) |
|||
|
Ⅰ型 |
Ⅱ型 |
Ⅰ型 |
Ⅱ型 |
Ⅰ型 |
Ⅱ型 |
|||||||||||||
|
50 |
60 |
95 |
65 |
145 |
200 |
65 |
28 |
/ |
72 |
30 |
3.5 |
4 |
8 |
4-M12 |
14.4 |
/ |
14.6 |
/ |
|
65 |
76 |
114 |
80 |
165 |
220 |
65 |
28 |
25 |
72 |
30 |
3.7 |
4 |
8 |
4-M12 |
16.89 |
17.07 |
17.16 |
17.35 |
|
80 |
89 |
127 |
95 |
180 |
235 |
65 |
28 |
25 |
76 |
38 |
4 |
4 |
10 |
4-M16 |
21.12 |
21.31 |
21.42 |
21.61 |
|
100 |
108 |
146 |
114 |
200 |
255 |
65 |
28 |
25 |
76 |
38 |
4 |
4.5 |
10 |
4-M16 |
24.37 |
24.58 |
24.71 |
24.92 |
|
125 |
133 |
180 |
140 |
235 |
290 |
65 |
28 |
25 |
76 |
38 |
4 |
6 |
10 |
6-M16 |
31.92 |
32.31 |
32.43 |
32.82 |
|
150 |
159 |
203 |
165 |
260 |
315 |
65 |
28 |
25 |
76 |
38 |
4.5 |
6 |
10 |
6-M16 |
35.77 |
36.17 |
36.31 |
36.72 |
|
200 |
219 |
265 |
226 |
320 |
375 |
65 |
28 |
25 |
76 |
38 |
6 |
6 |
10 |
6-M16 |
44.69 |
45.29 |
45.29 |
45.87 |
|
250 |
273 |
325 |
280 |
380 |
435 |
65 |
28 |
25 |
76 |
38 |
8 |
8 |
10 |
8-M16 |
59.41 |
60.22 |
60.43 |
61.33 |
|
300 |
325 |
377 |
333 |
435 |
495 |
72 |
28 |
30 |
90 |
46 |
10 |
10 |
10 |
8-M20 |
89.37 |
90.02 |
90.35 |
91.14 |
|
350 |
377 |
426 |
385 |
485 |
545 |
72 |
28 |
30 |
90 |
46 |
10 |
10 |
10 |
8-M20 |
99.74 |
100.3 |
100.7 |
101.5 |
|
400 |
426 |
480 |
435 |
540 |
600 |
72 |
32 |
30 |
90 |
46 |
10 |
10 |
10 |
12-M20 |
114 |
114.8 |
115.3 |
116.4 |
|
450 |
480 |
630 |
488 |
590 |
650 |
72 |
32 |
30 |
90 |
46 |
10 |
10 |
10 |
12-M20 |
124.1 |
124.7 |
/ |
/ |
|
500 |
530 |
585 |
538 |
645 |
705 |
72 |
32 |
30 |
90 |
46 |
10 |
10 |
10 |
16-M20 |
139.3 |
140.5 |
/ |
/ |
|
600 |
630 |
690 |
640 |
755 |
820 |
75 |
32 |
30 |
104 |
54 |
10 |
10 |
12 |
16-M24 |
197.2 |
198.2 |
/ |
/ |
|
700 |
720 |
780 |
730 |
845 |
910 |
75 |
40 |
30 |
104 |
54 |
10 |
10 |
12 |
20-M24 |
222.6 |
223.7 |
/ |
/ |
|
800 |
820 |
880 |
830 |
950 |
1020 |
80 |
40 |
40 |
117 |
60 |
10 |
10 |
12 |
20-M27 |
280 |
282.3 |
/ |
/ |
|
900 |
920 |
980 |
930 |
1050 |
1120 |
80 |
40 |
40 |
117 |
60 |
10 |
10 |
12 |
20-M27 |
309.6 |
312.2 |
/ |
/ |
|
1000 |
1020 |
1080 |
1030 |
1150 |
1220 |
80 |
40 |
40 |
117 |
60 |
10 |
10 |
12 |
24-M27 |
341.1 |
344 |
/ |
/ |
- 上一篇:墻面平齊型柔性防水套管的制作預(yù)埋安裝工法 2017/1/30
- 下一篇:人防、出戶、入戶柔性防水套管施工方案 2017/1/30



